本产品页所示FT-3轴承由我公司生产, 此轴承是一种常用的推力球轴承。
请确认所需型号和规格,联系我们确认最新库存情况或最近的生产排期情况。
FT-3, a premium product

产品信息

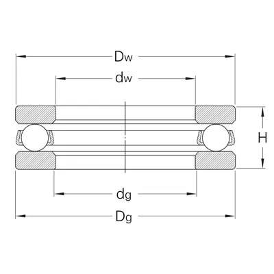
FT-3, FT3, 轴承照片 FT-3, FT3, 轴承图纸
所示图片为同类型典型图片。
可下滑查看本公司其他产品照片。

基本参数

型号

FT-3

轴承类型

推力球轴承

dw

0.625 mm/in

Dg

1.3437 mm/in

H

0.5625 mm/in

载荷

动载荷
N/A kN
静载荷
N/A kN

转速

N/A rpm

重量

0.07 kg 0.151 lbs

其它信息

其它代号

FT3
FT 3

可用精度

P0, P6, P5

径向游隙

CN
或依照需求定制。

其它制造商

SKF, FAG, RHP, R&M, Hoffmann
请联系我们确认是否有此类品牌现货。

主要材质

GCr15,轴承钢

保持架

车制铜保持架
钢制保持架
其它保持架类型可参照型号后缀确认。

包装

重派轴承包装或依照需求定制。

原产国

中国

其它特点

N/A